CIGRE B4.76 working group developed models
Here are the 2 models that were developed in PSCAD for the B4.76 working group. Below is a summary from the Technical Brochure.
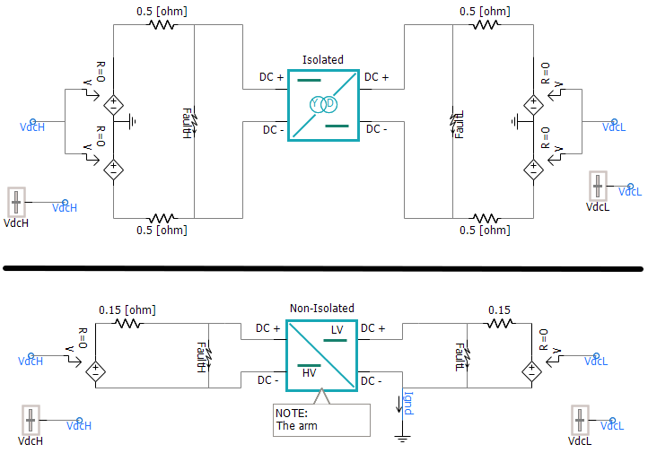
"The main aims of the Working Group B4.76 were to evaluate feasibility of DC-DC converters for applications within DC transmission grids, to understand applications, role, need, basic technical properties and evaluate applications of interconnecting HV and MV DC systems including DC tapping.
No DC-DC converter for DC transmission grid applications has been installed or built yet, although many technical studies have been published by researchers including manufacturers.
Because of generally low TRL (Technical Readiness Level) of DC-DC converters, in the early stages it was decided that this WG would produce models on PSCAD platform for two representative topologies and test cases in order to support and harmonize studies over the three-year period. The same two test case models were used throughout the brochure to illustrate by the way of simulation responses all the key conclusions in various chapters. Users should be able to replicate all the responses from the brochure using provided PSCAD model files, except studies in Chapter 7. The models will simplify transfer of the knowledge from this WG to equipment designer and grid planners and facilitate future comparisons and benchmarking to the benefit of professional community. These models are available as open source for CIGRE members. The real time models on RTDS platform were also produced."

.
