IEEE Static Exciter Type ST10C
As indicated previously, each of the exciter models have a unique transfer function. The schematic diagram of each is given below.
For more details, see IEEE Standard 421.5-2016.
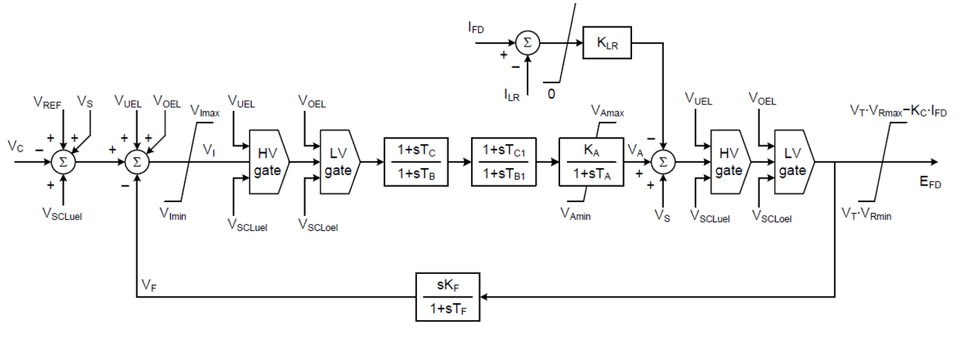
ST1C is an extended version of ST1A to include appropriate connections for summation point, over-excitation and under-excitation limiters.

Where,
Sample data for ST1C excitation system is shown below:

ST2C is an extended version of ST2A to include appropriate connections for summation point, over- and under-excitation limiters as well as representation of power source for the excitation system.

Where,
Sample data for ST2C excitation system is shown below:

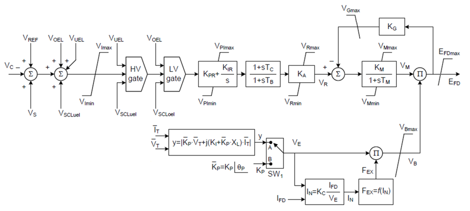
ST3C is an extended version of ST3A to include appropriate connections for summation point, over- and under-excitation limiters as well as PI control block in the AVR transfer function.

Where,
Sample data for ST3C excitation system is shown below:

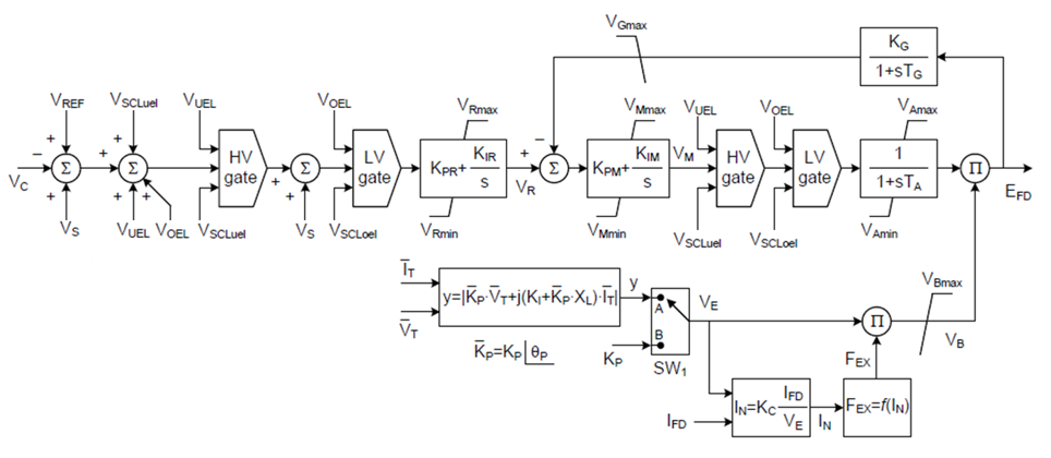
ST4C is an extended version of ST4B to include appropriate connections for summation point, over- and under-excitation limiters as well as independent power supply for generator excitation.

Where,
Sample data for ST4C excitation system is shown below:

ST5C is an extended version of ST5B to include appropriate connections for summation point, over-excitation and under-excitation limiters.

Where,
Sample data for ST5C excitation system is shown below:

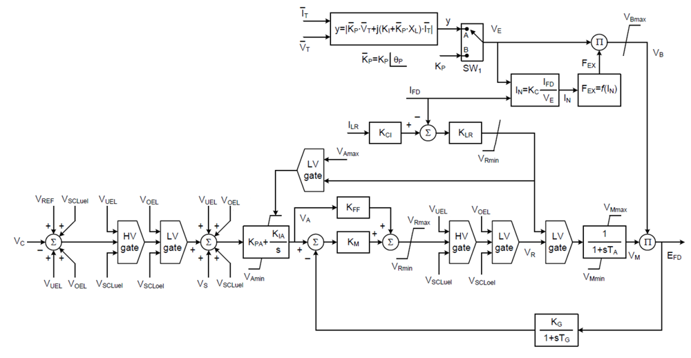
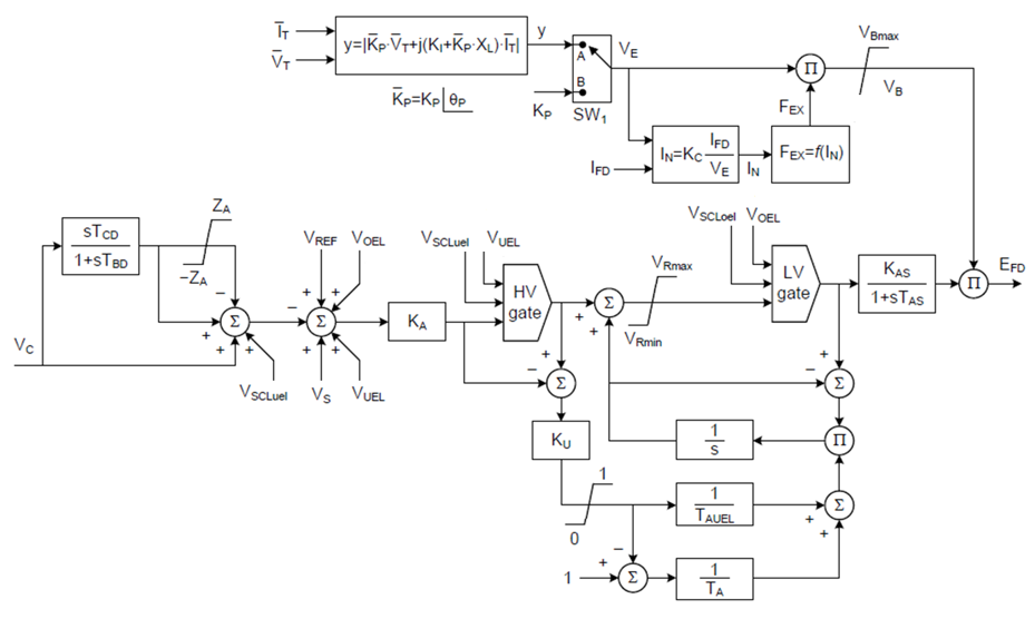
ST6C is an extended version of ST6B to include appropriate connections for summation point, over- and under-excitation limiters, and controlled rectifier power source.

Where,
Sample data for ST6C excitation system is shown below:

ST7C is an extended version of ST7B to include appropriate connections for summation point, over-excitation and under-excitation limiters.

Where,
Sample data for ST7C excitation system is shown below:

ST8C is a new model introduced to the exciter family in the IEEE Standard 421.5-2016 that consists of a PI type voltage regulator followed by a PI current regulator. It also includes appropriate connections for summation point, over-excitation and under-excitation limiters.

Where,
Sample data for ST8C excitation system is shown below:

ST9C is a new model introduced to the exciter family in the IEEE Standard 421.5-2016 that consists of a PI type voltage regulator, a differential stage followed by a dead-band function. It also includes appropriate connections for summation point, over-excitation and under-excitation limiters.

Where,
Sample data for ST9C excitation system is shown below:

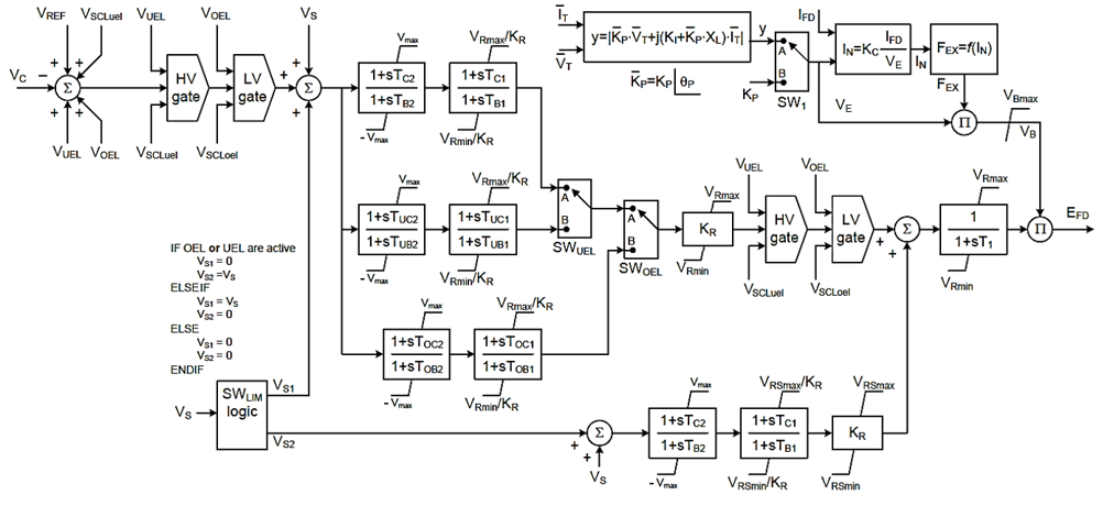
ST10C is a new model introduced to the exciter family in the IEEE Standard 421.5-2016 that consists of parallel configuration of lead-lag blocks and alternate input positions for stator current limiter. It also includes appropriate connections for summation point, over-excitation and under-excitation limiters.

Where,
Sample data for ST10C excitation system is shown below:
