
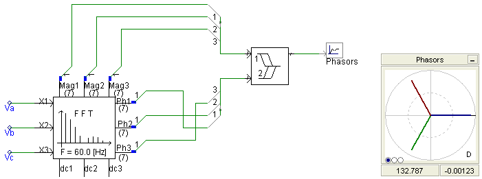
This component interlaces two signal vectors (arrays) into a combined output array. This component is especially useful for combining an array of polar magnitudes with an array of polar phase angles, so that they are formatted for direct input to a PhasorMeter. For example, consider the following where output from the On-Line Frequency Scanner (FFT) is formatted for display:

More: |