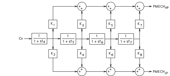
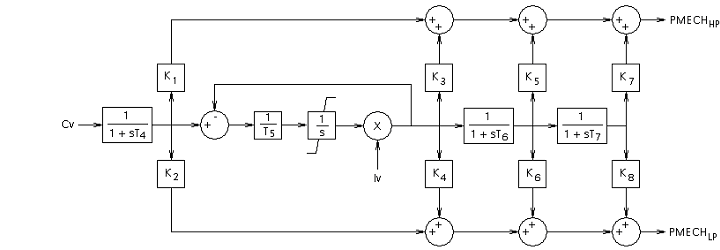
Generic Turbine Mode including Intercept Valve Effect (TUR2)
As indicated previously, each of these two thermal turbine models have a unique transfer function. The schematic diagram of each is given below.

Where,
|
|
Control Valve Flow Area [pu] |
|
|
K fraction [pu] |
|
|
Steam chest time constant [s] |
|
|
Reheater time constant [s] |
|
|
Reheater/cross-over time constant [s] |
|
|
Cross-over time constant [s] |
|
|
HP turbine power output [pu] |
|
|
LP turbine power output [pu] |

Where,
|
|
Control valve flow area [pu] |
|
|
Intercept valve flow area [pu] |
|
|
K fraction [pu] |
|
|
Steam chest time constant [s] |
|
|
Reheater time constant [s] |
|
|
Reheater/cross-over time constant [s] |
|
|
Cross-over time constant [s] |
|
|
HP turbine power output [pu] |
|
|
LP turbine power output [pu] |