Approximate Mechanical-Hydraulic Controls (GOV1)
Mechanical-Hydraulic Controls (GE) (GOV2)
Electro-Hydraulic Controls (GE) (GOV3)
As indicated previously, each of the five thermal governor models have a unique transfer function. The schematic diagram of each is given below.

Where,
|
|
Initial Value of Control Valve Flow Area [pu] |
|
|
Inverse of Regulation [1/pu] |
|
|
Gate Servo Time Constant [s] |
|
|
Speed Relay Lag Time Constant [s] |

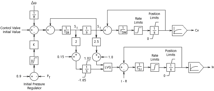
Where,
|
|
Control Valve Flow Area [pu] |
|
|
Intercept Valve Flow Area [pu] |
|
|
Permanent Droop [pu] |
|
|
IV Servo Time Constant [s] |
|
|
Gate Servo Time Constant [s] |
|
|
Speed Relay Lag Time Constant [s] |
NOTE: The speed relay feedback loop is implemented using a single real pole in order to eliminate the one time step delay of such a loop in the discrete time solution. Also, the non-linearities of the cam and the valve are ignored in the model.

Where,
|
|
Control Valve Flow Area [pu] |
|
|
Intercept Valve Flow Area [pu] |
|
|
Permanent Droop [pu] |
|
|
IV Servo Time Constant [s] |
|
|
Gate Servo Time Constant [s] |
|
|
Steam Pressure (constant) |
NOTE: Since a constant steam pressure is assumed, this model is not valid in the presence of boiler dynamics. However, due to the long time constants of the boiler, up to a few minutes of simulations should not be affected by this assumption.

Where,
|
|
Control Valve Flow Area [pu] |
|
|
Initial Value of Control Valve Flow Area [pu] |
|
|
Permanent Droop [pu] |
|
|
Speed Relay Lag Time Constant [s] |
|
|
Speed Relay Lead Time Constant [s] |
|
|
Gate Servo Time Constant [s] |
NOTE: This governor model does not have any over speed controls. Only the normal speed controls are modeled.

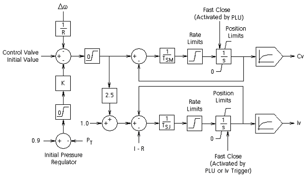
Where,
|
|
Control Valve Flow Area [pu] |
|
|
Intercept Valve Flow Area [pu] |
|
|
Permanent Droop [pu] |
|
|
Cv Phase Compensation Lead Time Constant [s] |
|
|
Cv Phase Compensation Lag Time Constant [s] |
|
|
Iv Phase Compensation Lead Time Constant [s] |
|
|
Iv Phase Compensation Lag Time Constant [s] |
|
|
Transducer Time Constant [s] |
|
|
Gate Servo Time Constant [s] |
|
|
Iv Servo Time Constant [s] |
NOTE: This governor model does not have any over speed controls. Only the normal speed controls are modeled.