Description
Obtaining Parameters for TSAT21 from f - I Curve Data
Argument List
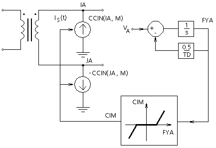
Transformer Saturation. The argument list for the TSAT21 Subroutine is shown below. A feature needed to start-up the simulation is the ability to limit excursions into saturation when saturation is not desired. When a transformer is directly energized or started up, magnetizing inrush current will flow and continue to flow for up to a second of simulated time. To limit inrush current for start up purposes, TSAT21 has the facility through argument XK to avoid the problem and centre the flux between the positive and negative knee points. When XK is entered as a negative value, inrush current is inhibited. This is accomplished by first detecting when saturation is approaching by recognizing when the magnetizing current exceeds 1.2 times its value at rated volts. When the magnetizing current exceeds this value, a flux limit is imposed. The flux updating process proceeds only when magnetizing current is between the limits of +/- 1.2 IM, where IM is the peak value of magnetizing current at rated volts (see Transformer Losses and Saturation - Figure 1). This action, if continued over several cycles of normal ac voltage, will centre the flux between the positive and negative knee points so that a steady operating condition can be reached. The argument value XK can be designated in the DSDYN Subroutine as positive just before or at the time a disturbance is simulated. This will release the flux limit and allow excursions into saturation to proceed.
If argument XK is specified as 0.0, the magnetizing current calculations are frozen and will remain at the same value until XK is changed. This has no practical value except if applied at start up, and is one way of having TSAT21 in the model ready but not functioning. If XK is 0.0 at TIME = 0.0, then the knee point is set at 1.25 per unit and will remain such - unless the simulation is completely restarted with a positive or negative value of XK.
The argument value KB provides the best way to inhibit saturation while having TSAT21 ready to function. If KB = 0, no magnetizing current is injected across the windings. If KB = 1, magnetizing current is computed according to the value of XK and is injected across the winding.
Another feature is control over the inrush current decay time. Argument value TD ensures there is a decay time imposed on inrush current, such as would occur on energization or recovery from a close-by fault. If the losses and damping of the simulated network are considered satisfactory for controlling inrush current decay, then TD can be made large, say 10.0 seconds. If it is desired that inrush currents should decay realistically, then values of 0.5 < TD < 2.0 should be used.

The magnetizing current is injected into the network where the windings are attached using the Norton interface current CCIN. The Norton conductance GGIN is set to 0.0 which means that it is very important for maintaining numerical stability of the solution to have separately connected, large valued resistors to ground at the winding nodes. The value of these resistors can be chosen to approximate the transformer core losses and therefore serve a double function; approximating losses and helping maintain numerical stability.
TSAT21 can also be used to model the saturation of a three phase non-linear shunt reactor, sometimes used in power systems. The unsaturated reactance is modeled as linear inductors in the DATA input file. The saturated inductance and knee point can be added with TSAT21 by selecting appropriate values for arguments XL and XK.
If a single phase application of saturation across a winding is desired, TSAT21 can be used by entering node numbers greater than the dimensioned number of nodes per subsystem, or negative node numbers for the phases not being used.
Sometimes it is required that no zero sequence magnetizing current is generated by the saturation. If this condition is desired, then the argument value XL is entered as a negative value.
To demonstrate how the TSAT21 subroutine is called from the dynamics file, consider the three phase transformer represented in Figure 1.4. The saturation is to be applied across the tertiary winding which is connected in delta and rated at 13.8 kV rms. It is assumed that the knee point is at 1.25 per unit, the air core reactance at the tertiary winding is 24% on its own base, and the magnetizing current at rated volts is 0.1%. The single phase rating of the transformer is 40 MVA.
The inrush current decay time constant is assumed to be 1.0 seconds and the load losses are considered to be zero since they are already modeled by large resistors which are also required to numerically anchor the delta winding of the tertiary.
Model Background Theory: Transformer Losses and Saturation
A common question asked by PSCAD users on the modeling of transformer saturation is: "Is it possible to input f - I curve data, as is; and if not, how can the required data be obtained from the f - I curve?"
Unfortunately, the current version of PSCAD does not allow the direct input of f - I data points. However, the UMEC Transfomer models will allow the direct input of V - I data points.
EMTDC uses a curve fitting algorithm, which is described in Transformer Losses and Saturation, to represent transformer saturation in a smooth and continuous form. The algorithm requires three parameters:
Air Core Reactance (XAIR)
Rated Magnetizing Current (IMR)
Knee Point (XKNEE)
All of which are requested in PSCAD.
The following example illustrates how to compute these parameters from a f - I curve (EMTP format).
EXAMPLE
The following table gives the magnetizing curve of a Y-Y connected, 345/230 kV, 60 Hz, 384 MVA, 3 phase transformer:
|
Magnetizing Current (IM) [A] |
Magnetizing Flux (FM) [Wb] |
|
1.9375839 |
714.62608 |
|
6.6260940 |
786.08868 |
|
16.328493 |
857.55129 |
|
342.41612 |
1000.4765 |
The rated current IR and the rated flux FR are calculated as follows:

The three parameters required for representing saturation curve are obtained as follows from the data in the above table:
Air Core Reactance (XAIR) is obtained based on the two highest points:
![]()
Rated Magnetizing Current (IMR) is calculated using a point closest to the rated flux:
![]()
Knee Point (XKNEE) is calculated based on the highest point:
![]()
NOTE: As a rule, XKNEE should be between 1.0 and 1.2.
We have assumed that the f - I curve data are instantaneous values. fR is the maximum instantaneous flux produced by the rated voltage. Step 2 determines the instantaneous magnetizing current at the rated flux by extrapolating the line joining the origin and the first data point. Here, we are assuming linearity around the knee point. Instead, one could simply select IMR from the data point that is closest to fR and then adjust its value to provide the best fit. The saturation subroutine expects IMR to be in %-rms and hence, in Step 2 is an rms value.
In the above example, we extrapolated the line through the first data point and the origin to estimate IMR. Instead, we could have interpolated IMR between the first data point and the second data point and come up with:
![]()
Thus, the range for IMR is: 0.223% - 0.45%. The saturation curves with IMR values 0.45%, 0.315% and 0.223% are also shown below in Figure 1d. A value close to 3.0 will probably give the best fit. Notice the effect of changing the IMR value on the saturation curve: it is like stretching the knee point with both ends of the curve anchored.
Figure 1a shows the f - I curves obtained from PSCAD and the table. The PSCAD curve is obtained by gradually ramping up the voltage and plotting flux vs. magnetizing current from the internal output variables of the transformer. The data from the table is plotted by joining the data points. This would be the case if the data were to be interpolated. The figure shows a very good match between the two curves. The inset graph shows an enlarged view of these curves around the unsaturated part. The advantage of curve fitting, as in EMTDC, is that it provides a smoother, and more realistic saturation curve than the interpolated curve. Figure 1b and Figure 1c show the sensitivity of the fitted curve to XKNEE and XAIR values, respectively.
From Figure 1b, notice that changing XKNEE moves the saturated part vertically and slightly alters the slope of the unsaturated part. Figure 1c shows that changing XAIR alters only the slope of the saturated part. By changing XKNEE and XAIR around the calculated values, the saturation curve can be adjusted to give a better fit.
|
Figure 1a
|
Figure 1b
|
|
Figure 1c |
Figure 1d |
Please note the following points while modeling with non UMEC transformers:
Always select ideal transformer if saturation is modeled.
Minimum no load loss is automatically 0.1% if saturation is selected.
The internal output IMAG gives the magnetizing current in the saturable branch only, and is zero if saturation is not selected.
SUBROUTINE TSAT21(IA,JA,IB,JB,IC,JC,M,TMVA1,VW,XL,XK,FR,TD,CM,HL,KB)
Inputs:
IA, JA: Phase A Nodes
IB, JB: Phase B Nodes
IC, JC: Phase C Nodes
M: Subsystem Number
TMVA1: MVA rating per phase
VW: Winding rated volts (kV)
XL: Air core reactance (pu)
If XL +ve: Zero sequence inrush current can flow.
If XL -ve: Zero sequence inrush current cannot flow.
XK: Knee Volts (pu)
If XK = 0: Saturation de-commissioned.
If XK -ve: Saturation clipped at knee.
If XK +ve: Saturation normal.
FR: Rated Frequency (Hz)
TD: Inrush decay time constant (sec.)
CM: Imag at rated volts (pu)
HL: No load losses (pu)
KB: Saturation factor (0 or 1)
If KB = 1: Saturation functioning.
If KB = 0: Saturation computed but not injected.