Mechanical-Hydraulic Controls (GOV1)
PID Controls including Pilot and Servo Dynamics (GOV2)
Enhanced Controls for Load Rejection Studies (GOV3)
V2 Compatible Hydro Governor (HGOV18)
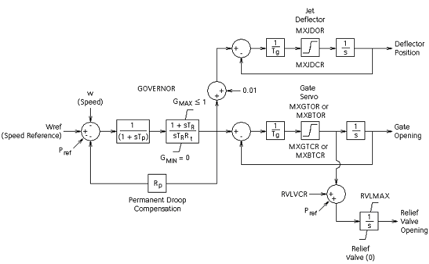
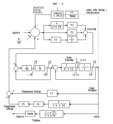
As indicated previously, each of the three hydro governor models have a unique transfer function. The schematic diagram of each is given below.

Where,
|
|
Servo gain [pu] |
|
|
Permanent Droop [pu] |
|
|
Temporary Droop [pu] |
|
|
Main Servo Time Constant [s] |
|
|
Pilot valve and servo motor time constant [s] |
|
|
Reset or Dashpot Time Constant [s] |

Where,
|
|
Derivative Gain [pu] |
|
|
Integral Gain [pu] |
|
|
Proportional Gain [pu] |
|
|
Pilot Servomotor Time Constant [s] |
|
|
Gate Servo Gain [s] |
|
|
Gate Servomotor Time Constant [s] |
|
|
Permanent Droop [pu] |

Where,
|
|
Maximum Gate Position [pu] |
|
|
Minimum Gate Position [pu] |
|
|
Maximum Gate Buffer Closing Rate [pu/s] |
|
|
Maximum Gate Buffer Opening Rate [pu/s] |
|
|
Maximum Gate Closing Rate [pu/s] |
|
|
Maximum Gate Opening Rate [pu/s] |
|
|
Maximum Jet Deflector Closing Rate [pu/s] |
|
|
Maximum Jet Deflector Opening Rate [pu/s] |
|
|
Maximum Relief Valve Position [pu] |
|
|
Relief Valve Closing Rate [pu/s] |
|
|
Permanent Droop [pu] |
|
|
Temporary Droop [pu] |
|
|
Main Servo Time Constant [s] |
|
|
Pilot valve and servo motor time constant [s] |
|
|
Reset or Dashpot Time Constant [s] |

Where,
|
|
Controller real pole gain |
|
|
Controller proportional gain |
|
|
Controller integral gain |
|
|
Controller real pole time constant [s] |
|
|
Turbine lead time constant [s] |
|
|
Turbine lag time constant [s] |
|
|
Governor time constant [s] |
|
|
Inverse gate velocity limit [s/pu] |
|
|
Gate velocity time constant [s] |
|
|
Permanent droop gain |
|
|
Gate position control rate limit [pu/s] |
|
|
Temporary droop gain |
|
|
Temporary droop time constant [s] |
|
|
Conversion constant |
Related Topics